Автор статьи: Владимир Максименко
Эксперт сектора обучения и информационной поддержки
Энергосбережение & Здоровые здания, №1 2021
PDF версия (928,06 Кб) 
Тема автоматизированных систем управления зданиями (АСУЗ), стала особенно популярной в конце ХХ, начале XXI веков. Так специалистами НП АВОК был разработан отраслевой стандарт "Системы автоматизации и управления зданиями. Часть 2. Основные положения. Аппаратные средства", в котором приводится модель общей системы для сети АСУЗ, к которой можно привести АСУЗ всех типов и их объединения. Благодаря достижениям последнего времени эта модель приобрела новые качества, в частности, за счёт взаимного проникновения или конвергенции систем автоматизации зданий и систем безопасности с активным использованием IT технологий.
В соответствии с оценками ведущих экспертов в области АСУЗ "мировым трендом сегодня является когнитивность конвергентных систем". Кроме того, для современных проектов характерно комплексное использование для управления в АСУЗ таких современных технологий, как IoТ, Big Data и облачные технологии. Такие решения, часто включающие превентивное управление на базе элементов искусственного интеллекта, позволяют поднять планку комфорта и безопасности АСУЗ на принципиально новый уровень.
Для более точной постановки задач, реализуемых АСУЗ в конкретных проектах, используется подход формирования требований групп пользователей этих проектов. Общая структура АСУЗ при этом полностью соответствует той, которая приведена в ISO 16 484-2.
Результатом конвергенции систем безопасности и систем автоматизации зданий в нашей компании стало создание линейки приборов и программного обеспечения (ПО), разработанных на основании многолетнего опыта и реализующих на современном уровне структуру внутренних связей АСУЗ (рис. 1). При этом и приборы и ПО, по сути, представляют собой аппаратно-программную платформу (далее – платформу), позволяющую решать вопросы комфорта, безопасности и энергоэффективности с возможностью масштабирования и организации территориально-распределенных задач. Реализация конвергентных функций систем безопасности и автоматизации зданий обеспечивается использованием проверенных аппаратных решений и современных алгоритмов управления.
Типовые модули платформы, как правило, допускают использование автономных законченных решений. При этом особенностью платформы является возможность построения законченной системы из типовых модулей путём тиражирования и масштабирования.
Рис.1. Структура внутренних связей АСУЗ
Комитет НП "АВОК"
В НП "АВОК" в 2002 году был создан комитет "Интеллектуальные здания и информационно – управляющие системы", который принял активное участие в разработке нормативных документов в области АСУЗ, отвечающих требованиям отечественной нормативной базы и несущих новое содержание международных документов. Отталкиваясь от структуры, заложенной в ГОСТ 34, на основе содержательной части стандарта ISO 16 484 комитетом были разработаны три части отечественного отраслевого стандарта АВОК 5-2004 "Системы автоматизации и управления зданиями" и трёхъязычный словарь терминов к данному стандарту.
Рис.2. Структура универсальной аппаратно-программной платформы АСУЗ
Автономные законченные решения могут быть объединены в сложные комплексы на любом этапе проектирования и эксплуатации.
Аппаратно-программная платформа решает такие задачи, как сбор и обработка данных от устройств полевого уровня, визуализация обработанной информации и обеспечение работы системы с локальными и удаленными пользовательскими интерфейсами, включая мобильные. В соответствии со структурой платформы (рис.2) в качестве модулей полевого уровня используются контроллер двухпроводной линии С2000-КЛД-ModBus, контроллер технологический С2000-Т и Модуль ввода – вывода М2000-4ДА.
На двухпроводную линию С2000-КЛД-ModBus можно подключать до 127 адресуемых устройств (датчиков и исполнительных устройств). При этом контроллер может работать в автономном режиме, реализуя ряд несложных логических алгоритмов. Контроллер технологический С2000-Т - полноценный контроллер с предустановленными алгоритмами управления системам отопления, горячего водоснабжения, вентиляции и кондиционирования с использованием ПИД-регуляции, каскадного регулирования, а также с возможностью формирования оригинальных алгоритмов управления оборудованием с использованием встроенного блока условий.
М3000-ВВ-0010– поддерживает обмен данными в сети RS-485по протоколу Modbus как ведомое устройство и позволяет управлять имеющимися в его составе 20-ю реле, коммутируя напряжение ~250 В 50 Гц и cos φ > 0,6 4 А. Позволяет управлять выходами с помощью ШИМ, при этом задавая период и коэффициент заполнения в широких пределах (максимальный период импульса 24 часа, минимальный 0,5 с).
М3000-ВВ-1020 – модуль из 6 перекидных реле с возможностью контроля состояния, управляемых по протоколу ModBus RTU.
С2000-ВТИ, С2000-ВТИ исп.01, С2000Р-ВТИ, С2000Р-ВТИ исп.01, М2000-ВТИ - термогигрометры с индикацией. Имеют встроенный ЖКИ, обеспечивают измерение температуры и относительной влажности воздуха и измерение концентрации угарного газа.
Ядром платформы является модуль уровня аппаратного управления на базе контроллера М3000-Т с ОС LINUX.
Контроллер поддерживает все языки программирования, указанные в МЭК 61131-3. В качестве среды разработки и исполнения используется MasterSCADA 4D компании Инсат. В зависимости от решаемых задач наряду с MasterSCADA 4D могут использоваться также другие SCADA системы, например КРУГ-2000, или Интеграционная платформа для Интернета вещей AggreGate. Соответствующие испытания успешно прошли в 2019 году. На борту контроллера находятся 4 интерфейса RS-485 ModBus RTU и интерфейс Ethernet. Благодаря наличию этих интерфейсов в соответствии с приведённой на рис.2 структурой АСУЗ обеспечивается подключение периферийных устройств по протоколу ModBus RTU для сбора данных с датчиков и управления исполнительными устройствами. При этом могут использоваться как устройства, производимые НВП «БОЛИД, так и широкий спектр оборудования ModBus RTU сторонних производителей. Использование преобразователя интерфейса С2000-ПП позволяет получать информации о состоянии установленного на объекте оборудования безопасности. При использовании MasterSCADA 4D может быть организован удалённый доступ к платформе с использованием интерфейса Ethernet контролера через любой интернет – браузер (за исключением Internet Explorer).
Познакомившись с типовыми модулями и ядром аппаратно-программной платформы автоматизации инженерного оборудования здания, перейдем к рассмотрению общей структуры платформы и рассмотрим конкретные примеры по реализации задач управления и контроля офисными зданиями на базе этой платформы.
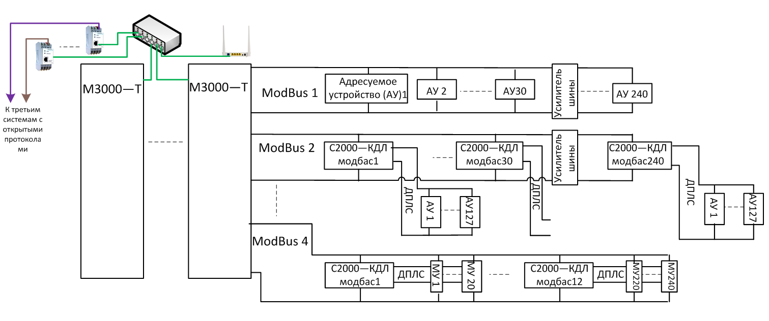
Рис.3. Общая структура системы
Общая структура системы отражает ограничения, накладываемые спецификацией протокола ModBus. На рис.3 представлены 3 основные варианта реализации системы на базе линейки приборов М3000-Т. Контроллер М3000-Т имеет в своём составе четыре канала для подключения шины ModBus. Первый вариант подключения к шине, обозначенный как ModBus 1 показывает шинное подключение адресуемых устройств к шине ModBus. При этом максимальное количество подключаемых к шине адресуемых устройств в нашем случае составляет 240. Теоретически на такой шине можно адресовать до 255 адресов. На практике обычно ограничиваются 247 адресами, что, в принципе возможно и в нашем случае. Вторая важная особенность этой шины заключается в рекомендациях ряда производителей использовать шинные усилители не реже, чем после каждого 31 устройства.
Канал ModBus 2 иллюстрирует вариант подключения к контроллеру М3000-Т в качестве адресуемых устройств приборов С2000-КЛД-ModBus. В данном случае эти приборы подключаются к шине ModBus RTU, поэтому их количество теоретически составляет до 240 приборов, а к каждому из них на двухпроводную линию связи (ДПЛС) можно подключить до 127 адресуемых устройств. При этом приборы, подключённые к ДПЛС получают от неё питание. При использовании такого подключения следует учитывать, что время обработки контроллером одного прибора С2000-КДЛ-ModBus при подключении около 100 адресуемых устройств на его ДПЛС может составить до 100 миллисекунд.
Канал ModBus 4 отличается от предыдущего варианта тем, что в данном случае к каналу ModBus подключаются как приборы С2000-КЛД-ModBus, так и модули, использующие для обработки информации из управляемого помещения такие приборы, как С2000-Т, М2000-4ДА, М3000-ВВ-0010 и М3000-ВВ-1020. В корпусе модуля могут быть собраны приборы, необходимые для получения и обработки информации из конкретного помещения. Кроме того, подключённая к каждому модулю ДПЛС от прибора С2000-КЛД-ModBus позволяет при необходимости использовать в зоне расположения модуля адресуемые устройства ДПЛС.
Необходимо также отметить временные особенности работы шины ModBus: для опроса 10-ти переменных из 4-х Ведомых со скоростью 19200 бит/с необходимо затратить примерно 206 мс. Если необходим периодический опрос, желательно зарезервировать определенное время, например, еще дополнительно 100 мс.
Интерфейс Ethernet позволяет подключать контроллеры М3000-Т, аппаратные IP шлюзы открытых протоколов, таких как KNX, LON, BACNet, Wi-Fi роутеры и другое аналогичное оборудование.
Компоновка модуля управления и контроля состояния помещения офисного комплекса может представлять собой законченное локальное решение для управления включения нагрузок отдельного помещения с помощью карточного выключателя, установленного при входе. В качестве нагрузок в данном примере выступают освещение, розетки, кондиционер. Управление осуществляется с помощью логики прибора С2000-КЛД-ModBus, позволяющей включать и отключать кондиционер по датчику температуры, при открытии окон, включать свет при наличии людей в помещении по датчику движения. Модуль допускает установку в него дополнительных реле, например для включения увлажнителя по датчику влажности или для подачи тревожного сигнала секретарю с помощью тревожной кнопки и т.п. Модуль может монтироваться в компактном пластиковом или металлическом боксе с двумя DIN рейками.
Рис.4. Компоновка модуля помещений офисного комплекса с отображением на мобильных устройствах
Модуль имеет интерфейсный выход по протоколу ModBus RTU, что позволяет использовать один или несколько таких модулей при решении управления и контроля состояния помещений офисного комплекса с отображением на мобильных устройствах
Как видно (рис.4) реализация данного решения представляет собой набор из двух модулей, рассмотренных в предыдущем примере. Под конкретную задачу такие модули допускают соответствующую доработку с целью полноценной реализации необходимого функционала. Кроме того в решении присутствует рассмотренный ранее модуль на контроллере М3000-Т – ядро платформы. На борту этого контроллера находится предустановленная SCADA система MasterSCADA -4D компании Инсат. Эта SCADA система получает информацию с ModBus каналов контроллера от подключённых модулей, обрабатывает её и обеспечивает визуализацию этой информации и выдачу её на мобильные средства пользователей системы в соответствии с присвоенными им правами доступа. Выдача осуществляется по каналу Ethernet и может транслироваться через WiFi роутер. Функционально решение поддерживает все возможности SCADA системы в части обработки и отображения поступающей на контролер информации от периферийных модулей. В соответствии с представленной на рис.6 структурой решение может поддерживать число различных модулей, в том числе приведённых в разделе «Типовые модули платформы», необходимое для сбора данных с достаточно большого объёма инженерного оборудования контролируемого объекта.
В соответствии со структурой, приведённой на рис.3, решение на базе платформы может использовать несколько модулей с контроллерами М3000-Т, каждый из которых может иметь свой набор периферийных модулей, что обеспечивает большую гибкость решения. При этом для связи между контроллерами М3000-Т могут использоваться IP каналы связи, обеспечивающие практически неограниченную удалённость контроллеров друг от друга. Это позволяет реализовывать территориально разнесённые решения. В этом случае для обеспечения взаимодействия между контроллерами и обработки существенно больших объёмов информации, генерируемых системой, могут применяться такие программные средства, как интеграционные платформы для интернета вещей.